欢迎访问中国建设科技有限公司人才培训中心!

您的位置: 首页 > 业内新闻

跨地铁运营隧道的地下空间施工组合技术研究
教务部 2022-02-25

本文选自中国工程院院刊《Engineering》2018年第1期

作者:陈湘生

来源:Research on Combined Construction Technology for Cross-Subway Tunnels in Underground Spaces [J]. Engineering 2018, 4 (1):103–111.


编者按

城市轨道交通是城市基础设施的重要组成部分,直接关系到城市布局与发展、城市整体功能的发挥和居民生活质量的提高。目前国内多数城市都对在运营地铁线路安保区范围内的新建工程进行了开发限制,导致城市地下空间被人为分割,从而给地铁运营安全与高效立体利用地铁域土地空间带来挑战。


中国工程院陈湘生院士在中国工程院院刊《Engineering》2018年第1期发表《跨地铁运营隧道的地下空间施工组合技术研究》一文。文章指出,既有地铁运营隧道对地下空间的强烈分割效应,导致城市繁华地段的地下空间难以有效充分开发,为此提出了以变形缓冲层、特殊注浆技术、小分仓跳挖及门式框反压技术为核心的一整套针对跨地铁运营隧道的地下空间施工组合技术。这些技术在实际工程中的成功应用,解决了跨地铁运营隧道的地下空间合理利用中的重大技术难题,取得了显著的经济效益和社会效益,具有重要的推广应用前景与价值。



一、引言


城市轨道交通(URT)是促进城市经济发展、改善城市生态环境、优化城市结构、实现城市可持续发展的关键,是城市基础设施的重要组成部分,它的发展直接关系到城市布局与发展、城市整体功能的发挥和居民生活质量的提高。


但城市的超快速发展导致了城市交通规划的多变性:前期城市轨道交通建设中没有预留新线的接线或预留工程的标准与条件不配套,必然造成新建线路在城市建筑密集区域、城市道路或既有地铁线路附近施工的实际问题,产生新建线路穿越既有建(构)筑物的工程问题。对于大城市的新城区来说,URT规划往往引导城市布局与发展,常造成在运营隧道临近或上方新建各类建(构)筑物的建设困难,并将影响地铁运营的安全。目前国内多数城市都对在运营地铁线路安保区范围内的新建工程进行了开发限制,导致了城市地下空间被人为分割,难以充分利用,或者代价过高,给地铁运营安全与高效立体利用地铁域土地空间提出了挑战,因此非常有必要创建一整套经济高效的技术来突破此类重大技术难题,为此开展的专项研究具有重要意义。


二、技术体系建立


随着地下空间的开发利用越来越受到重视,由于URT通常在城市中心位置发展,由此造成大量深基坑工程与地铁车站及区间隧道相邻,甚至上跨运营隧道,深基坑的开挖不可避免地会对周围环境产生影响,为了保证开挖过程中车站的正常运营,必须控制车站墙体及其结构的位移在允许范围内。


但目前尚缺乏针对都市新城区与建成区新建工程对运营地铁的地铁域的地下空间开发与利用的成套保护与施工技术。为此,作者基于跨地铁运营隧道的地下空间结构与运营隧道沉降相互独立的理念,采用高效施工关键技术,以确保运营隧道的安全为目标,提出了一系列施工关键技术与新工艺,如在隧道结构上方与地下空间的底板之间设变形缓冲层、在紧邻隧道两侧用钢桶(板)(PDP)隔断深基础施工、工后泥浆护桩(墙)、注浆加固稳定隧道结构、调控地下水位、小分仓跳挖及门式框反压和精准监控系统等控制地铁运营隧道变位,同时利用高精度三维(3D)激光隧道扫描仪和机器人的结合,建立了地铁运营隧道变形精准实时监测系统,并在深圳地铁工程建设中得到应用与推广。笔者综合上述系列技术,形成了一套解决在地铁域内跨地铁运营隧道的地下空间施工组合技术。跨地铁运营隧道地下空间施工组合技术路线详见图1。


图1 跨地铁运营隧道地下空间施工关键技术路线图


三、关键技术

(一)变形缓冲层施工技术

1.设计原理


通过对跨运营地铁隧道上方新建工程的大变形特征分析,提出一种锚网喷-缓冲层-U形钢联合支护的技术。在锚网喷支护的基础上,增设既有一定变形能力又能够提供稳定摩擦阻力的U形钢可压缩支架。为了更好地保证可压缩支架的缩动性能,在围岩和U形钢之间添加了一种具有高压缩性能的泡沫混凝土材料。支护形式如图2所示。


图2 锚网喷-缓冲层-U形钢联合支护形式示意图


具体来说,各支护单元功能如下:


(1)锚网喷初次支护采用树脂锚固剂锚杆(锚索)+喷射混凝土+钢筋网组成锚(锁)网喷联合支护封闭围岩,防止围岩力学性能劣化,同时需保证与软弱围岩紧密黏结。


(2)U形钢可缩性支架完全封闭,保证隧道支护结构的整体性。


(3)泡沫混凝土缓冲层通过发泡机的发泡系统将发泡剂用机械方式充分发泡,并将泡沫与水泥浆均匀混合,然后经过发泡机的泵送系统进行现浇施工,经自然养护形成一种含有大量封闭气孔的新型轻质材料。泡沫混凝土的多孔性使其具有低容重、低弹模等特点,同时具备良好的变形能力及对冲击荷载具有良好的吸收和分散能力。


(4)碎石垫平层使得底板U形钢也能保持缩动,保持U形钢整体稳定性。


另外一种情况是在地铁运营隧道结构与隧道上部地下空间底板之间设置变形缓冲层或变形隔离层。这类隔离层要依据上下结构的类型专门设计和施工。该缓冲层可以有效降低地铁运行对上部空间的震动影响,提高运营隧道上部可用空间的舒适性;同时又可减缓上部沉降对地铁隧道的影响,起到相互隔离的作用,使得上部结构和隧道结构相互独立,沉降无明显交叠影响。

2. 施工工艺


(1)锚网喷施工。锚杆间排距为800 mm×1000 mm,误差±100 mm,挂设单层钢筋网,搭接为1个网格,喷厚为50 mm。


(2)U形钢架设与底板回填。


①施工固定锚杆。U形钢棚首尾2个棚采用固定锚杆配合压板固定,固定锚杆4组,每组2根锚杆,其中拱腰各1组,底拱2组。锚杆外露适当长度以便固定U形钢棚。


②架棚。架U形钢棚,按照由下向上的顺序进行,首先集中铺设底拱,然后充填石子、沙子,之后依次架设拱腰和顶拱,铺设塑料网、塑料纸后腰帮和背顶。


③充填泡沫混凝土。架棚后,首先顺巷道方向由下向上铺设双层塑料网和旧风筒布,一次铺设长度约20棚,最下排塑料网和旧风筒布深入底板约500mm,依次向上铺设,相邻的塑料网和旧风筒布之间搭接100mm,两帮(肩窝)交替布置。每铺设高度1~1.5m,对U形钢棚与顶、帮之间空隙喷射泡沫混凝土,平均厚度为200mm。充填由下向上进行,先帮后顶,帮部及肩窝处充填时,棚体两侧交替喷浆充填,每次充填高度约1m,以防止充填物料因重力造成棚体移动。充填中顶时,每3~4棚充填1次,先铺设塑料网和旧风筒布,随后施工人员站在充填区域下一棚棚档内对充填区域进行充填,充填完毕后再进行下一区段充填。

(二)隧道围岩加固技术

1. 黏土浆液配合比


通过对地铁运营隧道周边围岩尤其是下卧层进行注浆,孔隙水被排挤出围岩,围岩抗力得以提高,极大地减少了地层降水固结沉降。在对风化花岗岩群泵多次灌注双液浆时,第二次以后注入量较少而不密实。经过多次现场比对试验,发现先注黏土水泥浆,再补充注双液浆,可大大提高围岩密实度和抗力。


经过研究得出的配合比及相关参数如下:黏土和水泥(普通硅酸盐水泥)分别占固体重量的75%~90%和10%~20%;外加剂和水占总重量的0%~5%和43%;黏土浆和黏土水泥浆的比重分别为1.18~1.28和1.25~1.35;黏土浆的相对黏度大于或等于16s,黏土水泥浆的相对黏度为16s(滴定方式)。其塑性强度Pm=kG/h2,单位为kPa;其中k是拟合系数,G是锥杯试验重量(g)。当黏土不够时可以掺固体重量不大于20%的粉煤灰。

2.隧道注浆加固设计

为增加地铁隧道周边岩土层刚度,提高隧道抗变形能力,可对区间隧道进行隧道内注浆加固,注浆钢花管还可起到系统锚杆的锚固作用。隧道内注浆典型断面详见图3。


图3 隧道内注浆典型断面


3. 施工


(1)定位注浆钻孔,根据管片吊装孔的位置,选定钻孔孔位。


(2)搭设注浆平台,采用水钻进行成孔,在管片吊装孔位置,击穿管片预留的4cm的混凝土,钻入深度3~5m,现场实际钻孔深度可根据地质情况调整。


(3)根据现场试验调整注浆压力和浆液配比。


(4)钻孔完成后,插入DN25注浆钢花管,注浆管与注浆孔间的缝隙用棉纱和堵漏灵封堵,防止二次注浆孔凿穿后地层中的地下水涌入隧道,注浆管安装完成后,立即在孔口安装一个带有球阀的孔口管,孔口管采用丝扣连接在注浆管上,关闭球阀后再进行注浆管连接。注浆前打开球阀,可有效封堵地下水。


(5)利用每环管片的4个注浆孔,对周围土体进行加固注浆,其中道床位置的注浆孔不注浆,注浆完成后注浆管留在土中。每环管片进行一个断面注浆。在一个注浆断面上,同时对管片对称面两处注浆孔进行对称注浆,注浆压力不超过0.5MPa。


(三)钢桶(板)隔断深基础施工技术

1. 基坑隔断桩(墙)的作用


(1)PDP可明显降低坑外地表最大沉降值,同时改变沉降槽的形状,使地表沉降槽的面积减小,并可显著减小邻近建筑物的横向角变量,对减弱基坑开挖引起的建筑物损害效果明显。PDP减小基坑侧壁中点附近的最大沉降和不均匀沉降的效果比基坑角部更为明显。


(2)PDP可明显减小围护墙的水平位移,且越靠近PDP,地基浅层土体水平位移减少越明显。


(3)PDP使围护墙外侧土压力减小,表明PDP对围护墙有一定的“遮拦”作用。此外PDP对基底土体隆起量和分布基本没有影响。


2. 隔断桩(墙)的设置


在地下施工时,如果附近存在建筑物,可在相应建筑物和隧道中间设置适当的PDP,以此来防止隧道开挖过程中相邻区域内的地基发生变位,进而提高建筑物的稳定性和安全性。PDP主要由地下连续墙和挖孔桩以及深层搅拌机等组成,主要发挥承担侧向土压力以及负摩擦力的作用,可最大限度地减少临近隧道一侧的地基变形。


“隔断”就是在地层中引入结构单元来加强地层结构。这种结构单元不是隧道结构的一部分,与被保护的结构也没有联系,它能阻断由于隧道开挖引起的围岩应力的传播,使应力通过桩体传递到下面的持力层中,即隔断了地层中变形的传递,从而降低开挖对建筑物基础累积沉降及差异沉降量的影响。本研究采用全长钢套筒施工,示意图见图4。


图4 隔断桩基施工

3. 地铁隧道侧的桩基施工

采用摇动式套管钻机在地铁运营隧道一侧施工工程桩(见图5),可防止超挖和塌孔,从而极大地减少对地铁运营隧道围岩的扰动范围。


图5 摇动式套管钻机施工


成孔后浇筑钢筋混凝土工程桩,初凝后缓慢地拔出钢护筒的同时从外侧注入纯黏土浆。在桩周边与地层之间形成泥浆层。减少工程桩沉降时对地层的影响,从而极大地降低对地铁运营隧道的不利影响。


(四)地铁上方土体小分仓跳挖技术

地铁隧道深埋于其上方的浅基坑中时,在设计施工中,可将地铁上方基坑划分为一系列竖井或分仓,分仓宽度不大于15m,如图6所示,每次开挖一个分仓,在限定时段内完成该分块开挖及底板施工,然后再跳挖施工下一个分仓,可以大大减少大面积开挖卸载引起的地层反弹量。通过分仓限时施工并压载的方式,可以有效控制基坑下的隧道隆起。


图6 地铁上方基坑竖井分仓开挖示意图


(五)门式框反压施工技术


在3.3节的PDP施工完成后,盖板施工根据事先设计的小分仓跳挖施工工序,每一小分仓见底后,及时施工分段底板,盖板施工后,与结构桩及工程桩一起形成门式框反压(见图7),以有效控制底板隆起,进一步抑制开挖卸载引起的地层反弹,确保隧道安全。


图7 盖板施工


(六)地下水位下隧道注浆新技术

1. 止水措施

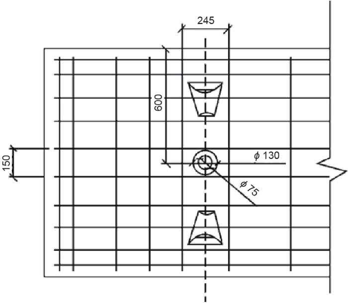
(1)管片开孔。管片开孔分两步进行,先在隧道正上部用取芯机打设一个外径为Φ130mm、深度为100mm的孔。此位置位于两个手孔中间;随后在同一圆心处打设外径Φ75mm、深度为160mm的孔(见图8)。


图8 隧道内打孔位置示意图(单位:mm)


(2)安装止水装置。将止水装置安装在开好的孔中。止水装置结构剖面图见图9。


图9 止水装置剖面图(单位:mm)


(3)安装球阀装置。注浆管从安装好的止水装置法轮盘进口中打入到设计深度后,在注浆管上焊接止水球阀,并关闭球阀止水。注浆时打开球阀便可注浆。


2. 注浆压力控制措施


注浆压力是注浆的主要参数,对浆液的扩散、裂隙充填、注浆效果起着决定性的作用,并与围岩的裂隙发育程度、涌水压力、浆液材料及凝胶时间有关。注浆压力P的取值范围:P0+2≤PP0+4,其中,P0为涌水压力(MPa),施工时取用计算值的上限。


3. 封口措施


(1)经过7天的测试,当浆液强度达到要求时,拆除法兰盘。


(2)部分割除止水钢管(管片内弧以内50mm)及注浆锚杆。


(3)止水钢板焊接密封。


(4)空隙部分用快干水泥抹平。


四、地铁运营隧道变形高精准实时监测系统


对于大规模隧道的建设,自动监测有其特殊的优势:可实现无间断自动化监测,采集数据快,可以保证监测数据正确及时,并能消除偶然误差;当其监测值超过报警值时能自动报警,可辅助工程技术人员做出正确的决策,以便及时采取相应的工程措施,使整个隧道工程施工处于受控状态,真正做到万无一失。


(一)隧道变形自动化监测系统构成

自动化监测系统组成(见图10)如下:高精度3D激光隧道扫描仪(见图11)、测量莱卡机器人、监测站、控制计算机房、基准点和变形点等。远程计算机可通过互联网实现对监测系统的远程监视与控制。系统在无需操作人员干预条件下,实现自动观测、记录、处理、存储、变形量报表编制和变形趋势显示等功能。


图10 高精度自动化监测系统构成


图11 莱卡超高速3D激光扫描仪


(三)高精度变位实时自动化监测的实现


系统工作正常后,可由远程计算机通过互联网向监测站发出指令,监测站接受指令后依次进行基准点稳定性监测和变形点监测,通过高精度3D激光隧道扫描仪可准确地实时监测到施工引起的地铁运营隧道结构任何点的变形,之后将监测数据和气象感应数据传回控制计算机,数据处理系统自动改正监测数据,并判断监测数据质量。自动监测系统工作流程见图12、图13所示。


图12 自动监测系统工作示意图

图13 深圳地铁1号线交易广场区段扫描结构整体视角图


(三)自动化监测数据处理与共享

1. 数据处理


采用极坐标法施测,然后对施测结果进行差分处理,每站观测可在短时间内完成,并且基准点和变形点可同时观测,可以认为外界条件对基准点和变形点的影响是相关的,将基准点的差异加到变形点的观测值上进行差分处理,计算变形点的3D位移量。


2. 自动化监测数据的展示与共享


(1)实时监测模式。注浆加固期间和基坑开挖期间启用实时监测模式,一般两小时作业测一次数据,系统自动计算并展示各监测点的变形时程曲线,超限自动报警。


(2)信息化管理平台展示。海量的监测数据能得到统一管理和共享,可方便及时快速进行数据的查找、检索和使用;避免由于管理人员对监测数据的误报、错报而导致的疏漏;可提高工作效率,促使监测信息的及时反馈,快速形成监测报告(图14)。


图14 深圳地铁1号线交易广场区段扫描结果与标准隧道对比


五、工程应用——前海弘毅·全球PE中心项目基坑施工地铁保护工程


(一)工程概况


前海弘毅·全球PE中心项目位于深圳前海桂湾片区,项目平面位置如图15所示,占地面积11 000 m2,北隔桂湾五路与卓越前海一号项目相邻,东侧紧邻前海投资控股二单元五街坊项目,南侧为桂庙渠和桂庙路快速化改造二期地下道路项目,西侧为地铁5号线南延线桂航区间隧道,项目场地被建成的地铁11号线区间隧道分割、下穿,项目场地大部分在地铁11号线安全限制区内。图16、图17显示了基坑与地铁隧道的相对位置。


图15 前海弘毅全球PE中心项目在桂湾的平面位置


图16 前海弘毅北侧基坑与地铁隧道关系剖面图


 图17 前海弘毅南侧基坑与地铁隧道关系剖面图


(二)施工技术


前海弘毅项目基坑在地铁11号线上方和紧邻隧道侧开挖,保护地铁隧道是该项目的重点和难点。为保护好地铁隧道,该项目组合采用了隧道围岩加固、地下连续墙护壁、小竖井分仓开挖、门式框反压和隧道变形的高精准实时监测等组合技术,基坑开挖顺利。采用该成套技术,项目实施效果良好。


(三)高精准自动化监测系统的应用


在本工程中采用高精准自动化监测系统有效地记录了隧道的真实状态与缺陷信息,如标注渗水区域或破损区域的面积等;通过对比不同时期隧道扫描结果,得出隧道结构在此期间的变形情况(详见图14),同时得出了隧道结构与设计图纸的偏差,有效地指导了施工,真正实现了信息化施工。


运营隧道左线的隆起与沉降相对变化量较大,最大隆起与沉降的时程曲线见图18和图19。


图18 左线相对最大隆起点


 图19 左线相对最大沉降点


六、结论


我们针对跨地铁运营隧道地下空间施工组合技术的专项研究,主要取得了以下几个方面的创新成果:


(1)创建了地铁运营隧道“群泵先注粘土水泥浆再注双液浆”的围岩加固技术,与传统纯双液注浆技术相比,加固效果显著提升。


(2)建立了在跨地铁运营隧道的地下空间施工中采用小分仓跳挖结合门式框反压技术,有效控制了开挖卸载的地层反弹,确保了运营隧道的安全。


(3)首次提出了地铁运营隧道的地下空间结构与隧道结构变形相互隔离的理念,并通过科学合理的结构措施,实现了施工过程和工后的变形相互独立目标,应用的成效明显。


(4)利用高精度隧道3D激光扫描仪结合机器人,构建了首套地铁运营隧道变形实时自动化监测系统,为确保地下空间施工过程中运营隧道的安全提供了坚实的技术基础。


跨地铁运营隧道的地下空间施工组合技术成果在深圳地铁工程实践中得到了成功应用,首次突破了国内外关于地铁沿线地下空间开发的相关规定,解决了跨地铁运营隧道的地下空间合理利用与地下空间开发的重大技术难题,取得了显著的经济效益和社会效益,通过该技术的应用,深圳前海自贸区被地铁线路割裂的1900 hm2土地基本实现成片利用,已经并正在产生显著的技术经济效益和生态环境效益,证明该成果具有重要推广应用价值与前景。


注:本文内容呈现略有调整,若需可查看原文。


改编原文:

Xiangsheng Chen. Research on Combined Construction Technology for Cross-Subway Tunnels in Underground Spaces [J]. Engineering 2018, 4 (1):103–111.


作者介绍






陈湘生,隧道与地下工程专家,中国工程院院士。


长期从事地下工程控制地层变形技术的研发工作。建立了人工冻土物理力学基本体系;构建了深井冻结壁和冻结管变形极限双控的时空设计理论体系和公式,解决了防控冻结管断裂淹水难题;研制了首套离心机土壤冻-融循环模拟装置并提出了抑制冻-融的实用技术;研发了水平冻结技术,为地下工程中防控突水涌砂提供了金钥匙。创建了地铁隧道下穿建筑物的“掘-测-智-控”群泵注浆矫正建筑物的控制变形技术;带领研发了跨地铁运营隧道的地下空间施工“加固-跳挖-反压-隔离-精测”的控制地层变形组合技术,将运营隧道规范控制限值降到3米以内,释放了地铁安保区原来无法利用的大量土地资源。



Baidu
map